Set Home
Favorite
Home
About Us
Elevator
Elevator Parts
Automatic Door
Swing Door
DIAGNOSTIC Tools
Buffer
Cabin
Control Cabinet and Mainboard
Guide rail
Guide shoes
HOP & COP & Push button
Light Curtain
Overspeed governor
Rope fastening
Safety gear
Traction machine
Escalator and Moving Walk
Escalator
Moving Walk
Escalator Parts
Handrail belt
Step & other escalator parts
Other Parts
Chime & Gone
Fan
Flat Travelling cable
Inspection Box
Intercom
LED
Load weighing device
Oil cup
Roller & Pulley
Steel wire rope
Contact Us
Automatic Door
Swing Door
DIAGNOSTIC Tools
Buffer
Cabin
Control Cabinet and Mainboard
Guide rail
Guide shoes
HOP & COP & Push button
Light Curtain
Overspeed governor
Rope fastening
Safety gear
Traction machine
Home
>
Elevator Parts
>
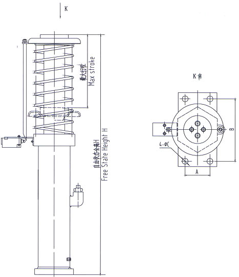
Buffer
GL-OBA
2009-2010 Copyright© All Rights Reservde